F033

家具锁F033

◉ 开锁方式:指纹|USBkey

◉ 锁门方式:自动上锁|手动上锁

◉ 可存储100枚指纹

◉ 支持USBKey管理功能,可配一条主key和三条管理key

◉ 低功耗长续航

◉ 低电量提醒,及时更换电池,USB外接电源应急供电

◉ 嵌入式安装,简约美观

◉ 带三色环形指纹光圈,状态提醒简洁清晰

产品参数

型号:F033

颜色:枪色/喷漆黑

表面处理:电镀镍

指纹读头:半导体

材质:锌铝合金

电池:3节七号电池

供电电压:4.5V

静态电流:≤20uA

动态电流:≤220mA

低压报警电压:3.6V±0.2V

工作温度:0℃-55℃

工作湿度:20%-80%RH

适用产品:板式、实木、钢制家具、机箱机柜

安装说明

1. 在门板高度中间位置,与门板开门边的门框内侧距离45mm处(推荐值),钻一个28mm的圆孔。

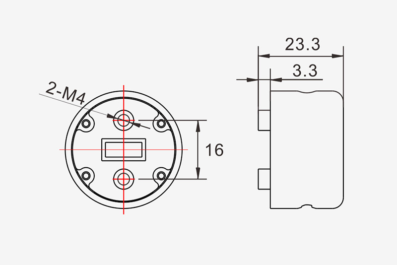
2. 将连接线一端插好在面板上,另外一端穿过开好的圆孔以及安装片的出线孔与锁盒连接起来,先用两颗十字盘头螺钉M4*14,将面板固定在门板上,整理好连接线,避免被压到,再用两颗十字沉头木螺钉ST3.5*16,将锁盒固定在门板上。

3. 用两颗十字沉头木螺钉ST3.5*20,将锁扣盒固定在门框内侧 (锁扣盒边到门框表面的距离,视门板厚度而定)。

家具锁F033产品详情

更多家具锁

Scroll Back to Top